幻灯片-资料所
幻灯片-资料所

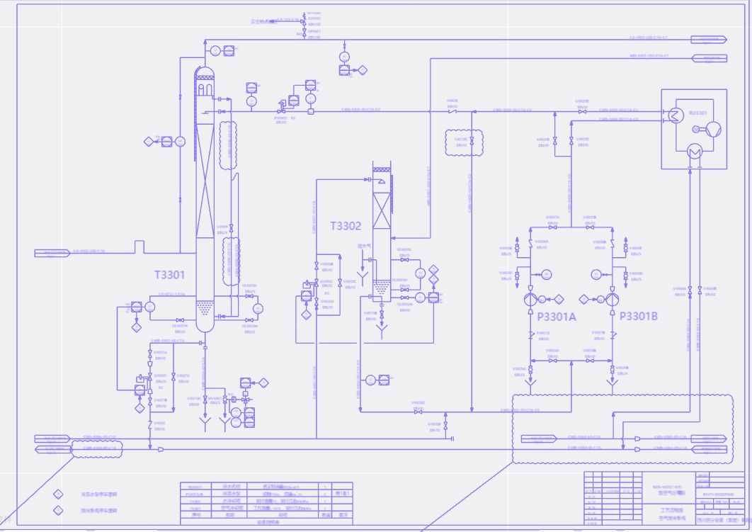
新空分流程图.dwg

新空分流程图.dwg-资料所
新空分流程图.dwg
此内容为付费资源,请付费后查看
2
立即购买
您当前未登录!建议登陆后购买,可保存购买订单
付费资源

QQ图片20250723222958

微信截图_20250713002415

新空分流程图,包含首页、压缩系统、预冷系统、纯化系统、膨胀机系统、主换热器、主塔、工艺液氮泵、冷箱密封气、液氮储存、液氮气化、氮气增压、产品输送、公用工程等

© 版权声明
THE END
喜欢就支持一下吧
点赞6 分享
评论 抢沙发

请登录后发表评论

    暂无评论内容